Elevator Sump System

Details

Upgrade Your Elevator Pit Management with the EleVader®

Complete System

Comprehensive solution manages water and oil levels in elevator pits by incorporating a sump pump, sensors, an oil-water separator, and control panel with alarm.

Integrated Sensors

Float sensors trigger the control panel to activate sump pumps.

Compatible with All Elevators

Compatible with all elevator manufacturers and pre-engineered for single or multiple elevator hoist configurations.

Small Footprint

Oil-water separator installed near pit in freestanding or direct burial installation.

Code Compliant

ASME A17.1 code compliant and UPC listed.

Continuous Operation

Continuous operation improves efficiency and cost-savings.

Details

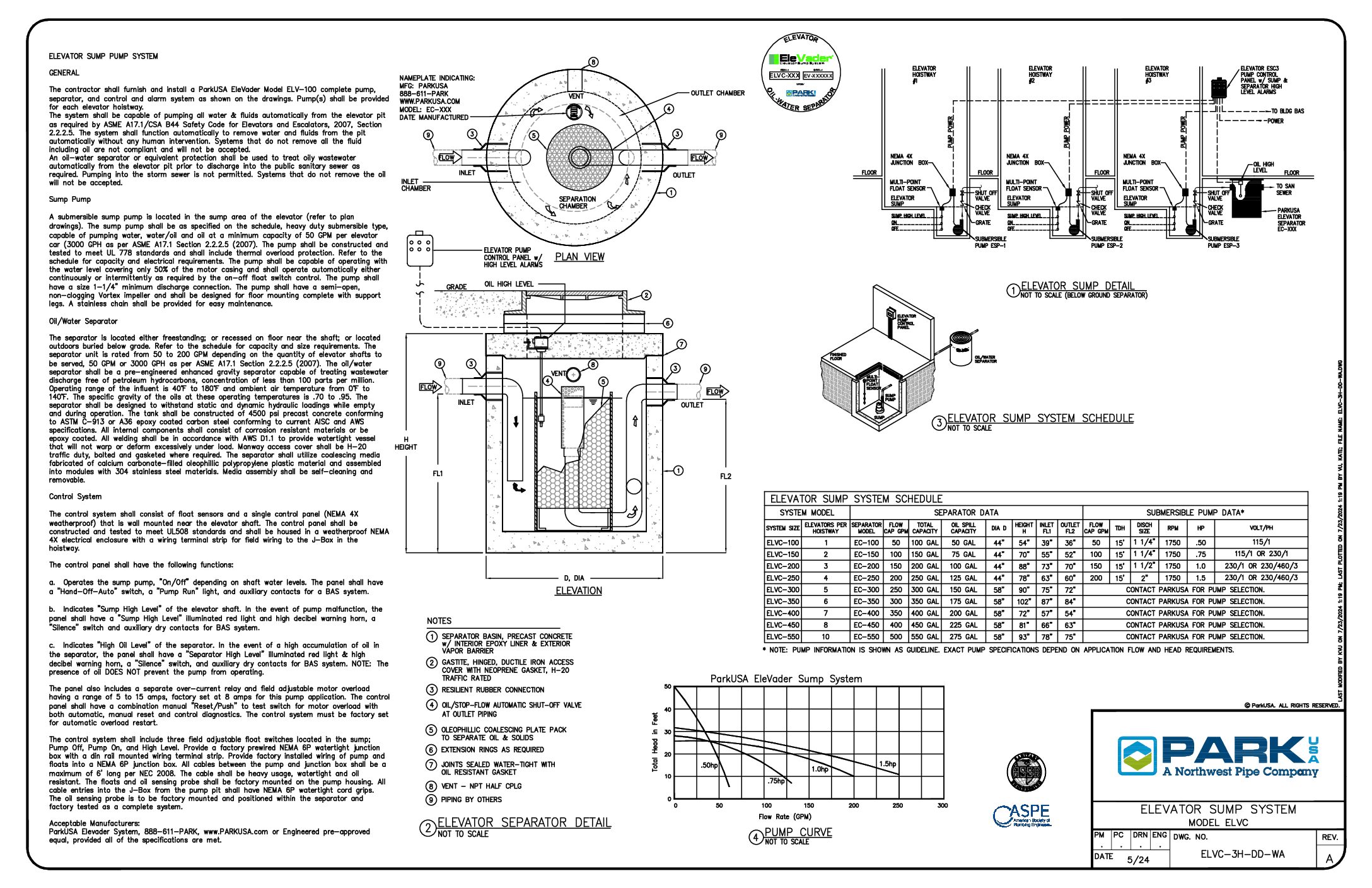
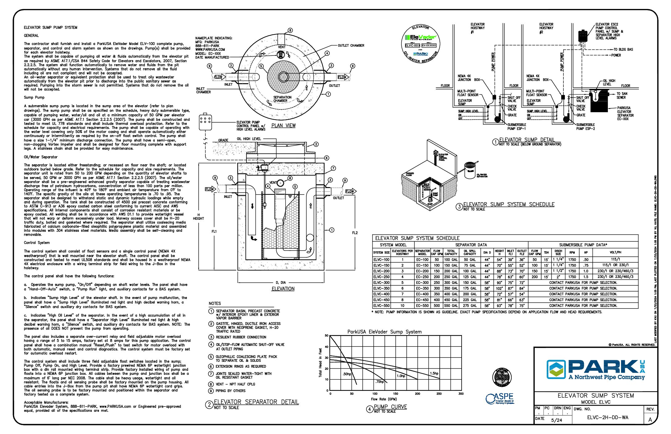
Our Elevator Sump System is designed to continuously remove and pretreat elevator pit wastewater. It operates automatically, eliminating manual intervention and monitoring, saving time and resources. Its eco-friendly design effectively eliminates hydraulic oil from wastewater before discharge.

The EleVader system includes an automatic submersible pump, an oil-water separator with coalescing technology, an oil stop valve, and a control system that is compatible with the building automation system. It offers system configurations suitable for flow rates ranging from 50 to 400 GPM, depending on the number of elevator shafts that need to be serviced. The separator installation can be chosen for freestanding, direct burial, indoors, or outdoors. Additionally, the EleVader can be configured for a single elevator hoistway or multiple hoistways.

How It Works

The EleVader® Elevator Sump System provides a comprehensive solution for managing water in elevator pits. As water and oil accumulate in an elevator sump pit, a float sensor will activate the sump pump. The pump moves the oily water to the adjacent oil/water separator. The separator uses patented technology to remove oil from the waste stream and holds the oil until future removal. The pretreated oil-free wastewater drains into a floor drain that discharges into the sanitary sewer. A control panel continually monitors the sump pump activity and can toggle between manual or automatic pump operation. The fluid levels are monitored in the elevator pit and the separator.

Models

About the Freestanding Separator

The EleVader® ELVS system includes an automatic submersible pump, a steel oil-water separator with coalescing media, an oil stop valve, and a control system compatible with building automation. It is ideal for both single and multiple elevator hoistways and can handle flow rates of 50 to 400 GPM. Installation options are versatile, ranging from freestanding to buried, and indoor to outdoor. It is compliant with the ASME A17.1 code and Uniform Plumbing Code Listed, the separator is a reliable solution for elevator pit wastewater management.

See How it Works

Applications

The EleVader® Elevator Sump System can be installed in any elevators environment, outside or indoors.

Commercial and Residential Buildings

Elevators are critical in commercial and residential buildings and the EleVader® ensures compliance with building codes that require automatic liquid removal from elevator shaft and can serve multiple shafts and cabs.

Healthcare Facilities

Elevators are a critical component in healthcare facilities such as hospitals and clinics, allowing for the quick and safe transportation of patients, staff, and medical equipment. The EleVader system ensures compliance with regulations and provides a safe and seamless solution for managing water in all elevator pits.

Industrial Facilities

Elevators are used in industrial facilities such as factories and warehouses for the efficient movement of goods, raw materials, and equipment between different levels of the facility.

Public Spaces

The ParkUSA Elevator Sump system can support a series of multiple elevators or single shaft system in almost any scenario, inside our outdoors.

Specialized Application

The EleVader® system can be customized for specialized applications such as outdoor use or in extreme weather conditions, for transporting heavy machinery or vehicles, or for use in construction sites and mining operations.

Specs & Docs

ELVC-1H-DD-WA

Single Hoistway Elevator System – Direct-Bury

ELVC-2H-DD-WA

Two Hoistways Elevator System – Direct-Bury

ELVC-3H-DD-WA

Three Hoistways Elevator System – Direct-Bury

ELVC-4H-DD-WA

Four Hoistways Elevator System – Direct-Bury

ELVS-1H-DD-WA

Single Hoistway Elevator System – Free Standing

ELVS-3H-DD-WA

Three Hoistway Elevator System – Free Standing

ELVS-2H-DD-WA

Two Hoistway Elevator System – Free Standing

ELVX-1H-DD-WA

Single Hoistway Elevator System – Reduced Footprint Model

Municipal Resources

Ready for the NWPX Park experience?

With over 35 years of experience, we offer proven water management innovation, technology, and service.

Lift Station Design Request

"*" indicates required fields

This field is for validation purposes and should be left unchanged.
Your Contact Information
Name*
Your Company Name & Address
Company Address*
Company Type*

Project Information
Project Address*
Pump System Application*

Wet Well Information
Available Power*

Hatchway*
Interior Liner*
System Operation*

Request a Quote

"*" indicates required fields

This field is for validation purposes and should be left unchanged.
Name*
Type of Business*
Project Address*
This website uses cookies to ensure you get the best experience on our website.

Ask an Expert

"*" indicates required fields

This field is for validation purposes and should be left unchanged.
Name*
Location*
Are you a current ParkUSA client?*
Type of Business*

Schedule a Lunch & Learn

Want to boost your team's knowledge? Need a quick refresher? ParkUSA offers free “Lunch & Learn” presentations to architect and engineering firms, private companies and public-sector agencies. Let us know your area of interest and the appropriate ParkUSA subject matter expert will come to your office, providing lunch, and spend 30 to 45 minutes sharing their knowledge, expertise and experiences with your team. Our Lunch and Learn program is designed to qualify for 1.0 Professional Development Hour for Professional Engineers.

Call or email us for more information.

"*" indicates required fields

This field is for validation purposes and should be left unchanged.
Name*
Company Address*
Are you a current NWPX Park client?*
Meet*
Type of Business*
Area of Interest*

Access Product Resources

Enter your email address to gain access to product resources.

"*" indicates required fields

This field is for validation purposes and should be left unchanged.
Name*

Request a Catalog

If you wish to receive a physical copy of our Product catalog, please fill out the information below and we will send you one. Please select which catalog you wish to receive.

"*" indicates required fields

This field is for validation purposes and should be left unchanged.
Name*
Address*
Type of Business*
Catalogs*