Rainwater Harvest System

Rainwater Harvest System

Details

Sustainable Water Conservation Made Easy with the RainTrooper® Rainwater Harvesting System

Scalable Design

Scalable system includes everything for collection, treatment, storage, and conveyance to meet growing residential, commercial, or industrial applications.

Reduce Municipal Water Dependence

Cost-effective sustainable solution for reducing reliance on treated municipal water.

Sustainable Collection

Rainwater harvesting aligns with sustainable principles and contributes to water conservation, reduces runoff, and lowers energy demand.

Real-Time Monitoring

Monitoring system tracks water quality and storage tank levels in real-time.

Overflow Prevention

Tank and filter are equipped with mechanisms to prevent overflow and direct excess water away from system.

Easy Inspection and Maintenance

The filtration system and tanks are designed for easy inspection and maintenance. The filter features an easy-open cover to allow for visual inspection, and the tanks include remote monitors and visual ports.

Details

The RainTrooper® Rainwater Harvesting System is a sustainable and cost-effective solution for conserving water and reducing reliance on treated municipal water. By collecting, filtering, and storing rainwater, harvested water can be used for various non-potable purposes.

The NWPX Park Rainwater Harvesting System collects rainwater efficiently from roofs, gutters, or other catchment areas. A filter system removes debris and contaminants, and the water is held in a tank until needed. Used in both residential and commercial settings, this system reduces dependence on treated municipal water, making it an eco-friendly and efficient solution.

How It Works

Rainwater harvesting systems provide a practical and environmentally friendly way to conserve water and reduce demand on municipal water supplies. These systems are designed to deliver safe and clean water for a variety of purposes, making it a valuable resource for homeowners and businesses alike. By using harvested rainwater, individuals can decrease their reliance on traditional water sources, while also reducing their environmental impact. Most systems will have the following components:

  • Collection: Rainwater is collected from rooftops, gutters, or other surfaces and directed through downspouts to a collection point, such as a storage tank or cistern.
  • Filtration: Before the collected rainwater enters the storage tank or cistern, it is filtered to remove large debris such as leaves and twigs, as well as smaller contaminants and oils using a hydrocarbon pillow filter.
  • Pre-treatment: In an advanced system, the rainwater is treated with a pre-treatment process to remove pathogens and other harmful microorganisms. This can be done using filters, mesh screens, or other devices.
  • Storage: Once the rainwater is filtered and pre-treated, it is stored in a tank or cistern until it is needed for later use. NWPX Park tanks are made from concrete, galvanized steel, or stainless steel.
  • Distribution: The treated rainwater can be distributed to various parts of the property through a network of pipes and valves.
  • Pumping: In some cases, a pump may be required to move the rainwater from the storage tank to where it is needed on the property.

Models

About the Aboveground Galvanized Tank

Model RWTG system includes a corrugated galvanized tank structure with an internal PVC liner. Available options include ladders, access ports, vents, overflow, pumps, filters, and stilling wells. The system is designed for freestanding use and offers easy access for cleaning and maintenance, making it an effective and eco-friendly choice for rainwater harvesting.

Applications

Rainwater harvesting systems provide an efficient and cost-effective way to conserve water and reduce the demand for treated municipal water, while also contributing to a more sustainable future.

Irrigation

Harvested rainwater can be used to water lawns, gardens, and other green spaces, reducing the demand for treated water and lowering water bills.

Fire Protection & Emergency Preparedness

Rainwater can be used for firefighting purposes in areas where municipal water is not available or to serve as emergency water supply in the event of a natural disaster.

Toilet Flushing

Non-potable rainwater can be used to flush toilets, which can account for up to 30% of indoor water use in some buildings.

Laundry

Rainwater can be used to wash clothes in washing machines, reducing the amount of treated water needed for this task.

Car Washing

Rainwater can be used to wash cars, reducing the amount of treated water needed and potentially saving money on car wash services.

Mechanical Systems

Rainwater can be used for cooling towers and other mechanical systems in commercial buildings, reducing the demand for treated water and lowering operating costs.

Potable Use

With appropriate treatment, harvested rainwater can be used for drinking and cooking in homes, buildings, and communities.

Groundwater Recharge

Rainwater harvesting can help recharge groundwater resources by collecting rainwater in a tank, supporting the local ecosystem, and increasing the availability of freshwater for future generations.

LEED Projects

Rainwater harvesting aligns with LEED principles and sustainable principles.

Specs & Docs

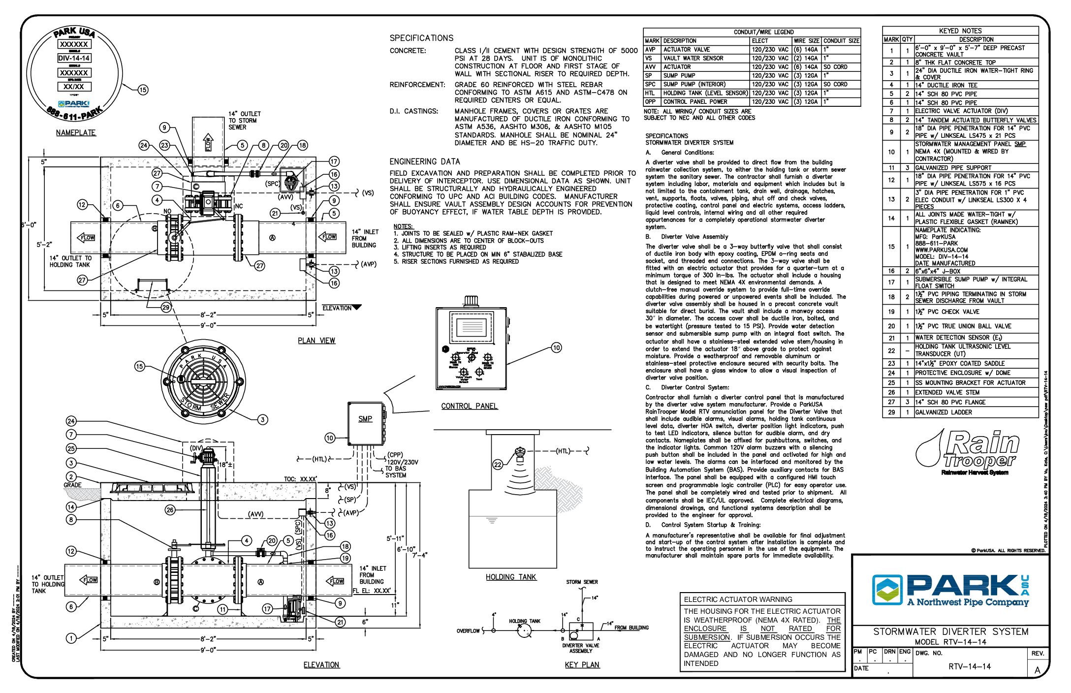
RTV-14-14

Stormwater Diverter System (Model RTV-14-14)

RWHS-1

Above Ground Cistern with Pump, Below Ground Vortex Filter, and Pump/Filtration System

RWHS-2

Rainwater Harvesting System Above Ground Cistern with Pump/Filtration System

RWHS-3

Rainwater Harvesting System Below Ground Cistern with Pump/Filtration System

VFC-1

Vortex Filter in Precast Concrete Vault

BCF-1

Basket Filter (Model BCF)

RFS-1

Rainwater Harvest Filter System (Model RFS)

Ready for the NWPX Park experience?

With over 35 years of experience, we offer proven water management innovation, technology, and service.

Lift Station Design Request

"*" indicates required fields

This field is for validation purposes and should be left unchanged.
Your Contact Information
Name*
Your Company Name & Address
Company Address*
Company Type*

Project Information
Project Address*
Pump System Application*

Wet Well Information
Available Power*

Hatchway*
Interior Liner*
System Operation*

Request a Quote

"*" indicates required fields

This field is for validation purposes and should be left unchanged.
Name*
Type of Business*
Project Address*
This website uses cookies to ensure you get the best experience on our website.

Ask an Expert

"*" indicates required fields

This field is for validation purposes and should be left unchanged.
Name*
Location*
Are you a current ParkUSA client?*
Type of Business*

Schedule a Lunch & Learn

Want to boost your team's knowledge? Need a quick refresher? ParkUSA offers free “Lunch & Learn” presentations to architect and engineering firms, private companies and public-sector agencies. Let us know your area of interest and the appropriate ParkUSA subject matter expert will come to your office, providing lunch, and spend 30 to 45 minutes sharing their knowledge, expertise and experiences with your team. Our Lunch and Learn program is designed to qualify for 1.0 Professional Development Hour for Professional Engineers.

Call or email us for more information.

"*" indicates required fields

This field is for validation purposes and should be left unchanged.
Name*
Company Address*
Are you a current NWPX Park client?*
Meet*
Type of Business*
Area of Interest*

Access Product Resources

Enter your email address to gain access to product resources.

"*" indicates required fields

This field is for validation purposes and should be left unchanged.
Name*

Request a Catalog

If you wish to receive a physical copy of our Product catalog, please fill out the information below and we will send you one. Please select which catalog you wish to receive.

"*" indicates required fields

This field is for validation purposes and should be left unchanged.
Name*
Address*
Type of Business*
Catalogs*