Acid Neutralization System

Acid Neutralization System

Details

LabTank® Provides Laboratory Acid Neutralization and Treatment with 24/7 Monitoring

Treat and Neutralize Wastewater

Our system isolates and neutralizes acidic water with added agents and rock media.

pH Alerts

System continuously records the effluent’s pH level and alerts the operator when it is out of compliance with regulation.

Helps Meet Local Codes

This system ensures that wastewater discharged into public sewer systems adheres to the necessary pH levels and meets local codes.

Remote Monitoring

Monitors pH, level, temperature, and leak detection 24/7 with electronic monitoring.

Monolithic Construction

Monolithic tank and leakproof construction with choice of interior acid proof liners.

Details

The NWPX Park LabTank® supports responsible waste management in laboratory environments. The neutralization tanks or basins are designed to collect acidic waste and chemically neutralize it before it’s discharged into the sanitary sewer system and to protect laboratory workers and equipment from potential harm caused by acidic wastewater.

Our pH measuring system determines the degree of neutralization by calculating the concentration of hydrogen ions in the wastewater and then treating the wastewater with a neutralizing agent. The neutralized wastewater is then filtered and monitored for compliance with local, state, or federal regulations before it is discharged.

How It Works

Acidic wastewater flows into the neutralization tank or basin, is neutralized with an agent such as sodium hydroxide or calcium carbonate rock media, then leaves the tank to discharge into sewer system in compliance with local, state, or federal regulations.

The neutralization process occurs through a chemical reaction between the acidic waste and calcium and magnesium carbonate. The degree of neutralization can be measured by the pH system, which determines the concentration of hydrogen ions. When the acidic wastewater comes into contact with neutralization media, a neutralization reaction occurs. The primary component of neutralization media is calcium carbonate, which reacts with the acid to produce calcium ions, water, and carbon dioxide gas. This reaction results in the neutralization of the acid, as the hydrogen ions are consumed by the reaction and the pH of the solution increases towards neutral.

Models

About the Precast Concrete Basin with HDPE Liner and Exterior Vapor Barrier

Model ANT-PB is an advanced acid neutralization system specifically designed to effectively neutralize acidic waste in a variety of environments. The system features a robust precast concrete basin that is lined with an interior chemical-resistant HDPE (High-Density Polyethylene) and an exterior vapor barrier. This combination provides both chemical resistance and structural integrity. Additionally, the system includes neutralization media that aids in the effective treatment of acidic waste. This system is designed for below-ground installation and is equipped with heavy-duty access covers, ensuring ease of inspection and maintenance.

See How it Works

Applications

A wastewater pH neutralizing and monitoring system can benefit a wide range of applications where wastewater with varying pH levels is generated.

Hospital, Medical or Research Facilities

Medical facilities generate wastewater with varying pH levels from laboratories and other specialized areas where chemicals are used.

Educational Labs and Facilities

School labs and all-around cleaning agents can also contribute to wastewater with varying pH levels.

Chemical and Petrochemical Industries

These industries produce wastewater with various pH levels as a result of their manufacturing processes.

Metal Finishing and Plating Industries

These industries use acidic or alkaline solutions during their processes.

Semiconductor and Electronics Manufacturing

Wastewater generated from these industries can contain chemicals and have varying pH levels.

Mining and Mineral Processing

Extraction and processing of minerals can generate wastewater with varying pH levels.

Water and Wastewater Treatment Plants

Neutralizing systems are essential components of many water and wastewater treatment plants.

Battery Manufacturing and Storage

Battery manufacturing involves the use of various chemicals, which need to be neutralized before discharge.

Food and Beverage Processing

Some food and beverage processing plants generate wastewater with high acidity or alkalinity due to the use of cleaning agents, additives, and byproducts.

Specs & Docs

ANT-PH-1

Model ANT Neutralization System w/ pH Monitoring

ANT-1

Model ANT Neutralization System

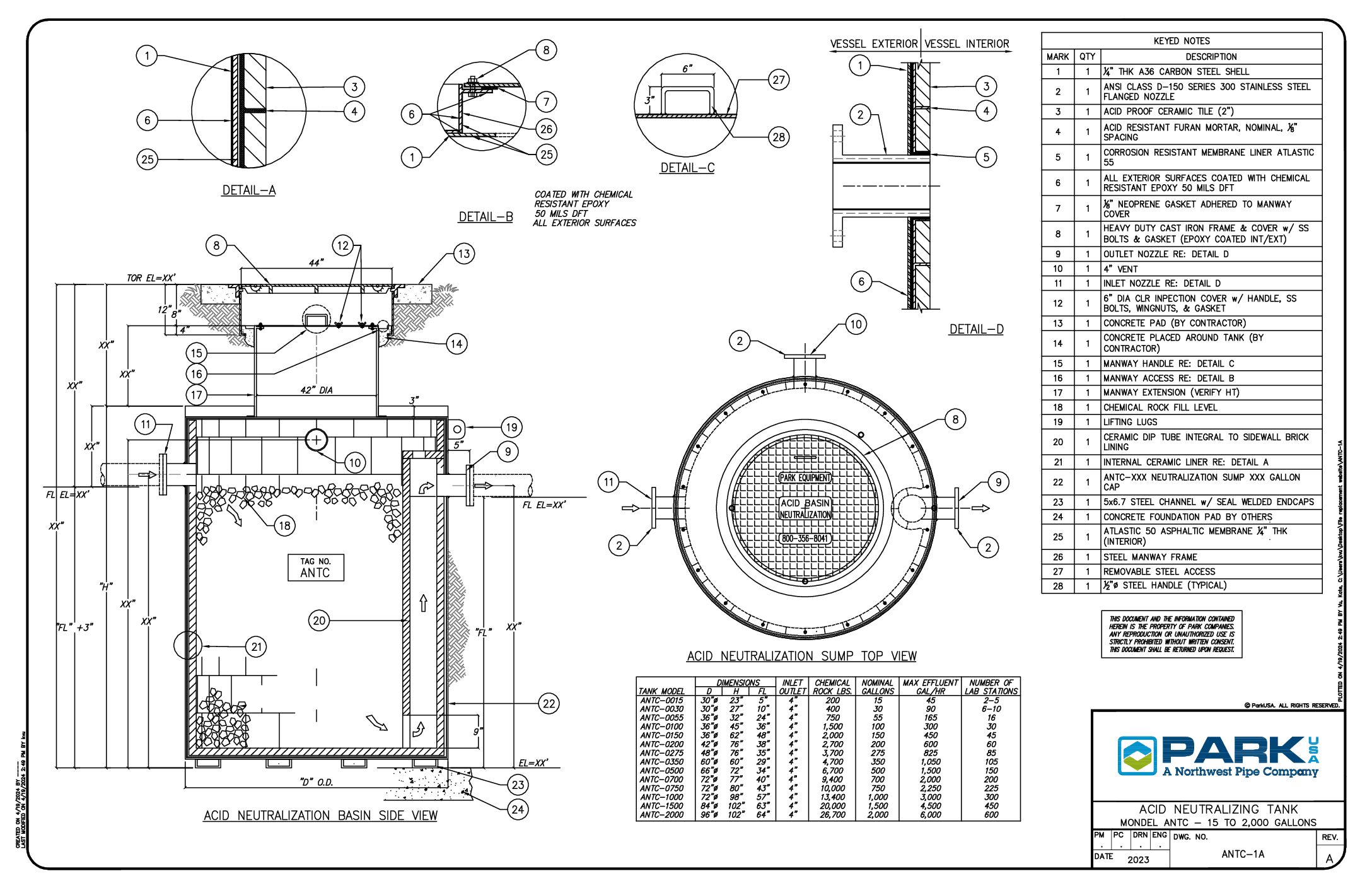
ANTC-1A

Model ANTC Neutralization System

ANPT-1

Model ANPT Neutralization System

Ready for the NWPX Park experience?

With over 35 years of experience, we offer proven water management innovation, technology, and service.

Lift Station Design Request

"*" indicates required fields

This field is for validation purposes and should be left unchanged.
Your Contact Information
Name*
Your Company Name & Address
Company Address*
Company Type*

Project Information
Project Address*
Pump System Application*

Wet Well Information
Available Power*

Hatchway*
Interior Liner*
System Operation*

Request a Quote

"*" indicates required fields

This field is for validation purposes and should be left unchanged.
Name*
Type of Business*
Project Address*
This website uses cookies to ensure you get the best experience on our website.

Ask an Expert

"*" indicates required fields

This field is for validation purposes and should be left unchanged.
Name*
Location*
Are you a current ParkUSA client?*
Type of Business*

Schedule a Lunch & Learn

Want to boost your team's knowledge? Need a quick refresher? ParkUSA offers free “Lunch & Learn” presentations to architect and engineering firms, private companies and public-sector agencies. Let us know your area of interest and the appropriate ParkUSA subject matter expert will come to your office, providing lunch, and spend 30 to 45 minutes sharing their knowledge, expertise and experiences with your team. Our Lunch and Learn program is designed to qualify for 1.0 Professional Development Hour for Professional Engineers.

Call or email us for more information.

"*" indicates required fields

This field is for validation purposes and should be left unchanged.
Name*
Company Address*
Are you a current NWPX Park client?*
Meet*
Type of Business*
Area of Interest*

Access Product Resources

Enter your email address to gain access to product resources.

"*" indicates required fields

This field is for validation purposes and should be left unchanged.
Name*

Request a Catalog

If you wish to receive a physical copy of our Product catalog, please fill out the information below and we will send you one. Please select which catalog you wish to receive.

"*" indicates required fields

This field is for validation purposes and should be left unchanged.
Name*
Address*
Type of Business*
Catalogs*